About Us
Find Parts
Yamaha
CE50E
1983 (27V0-010-C-1983)
Air Shroud . Fan
C.D.I Magneto
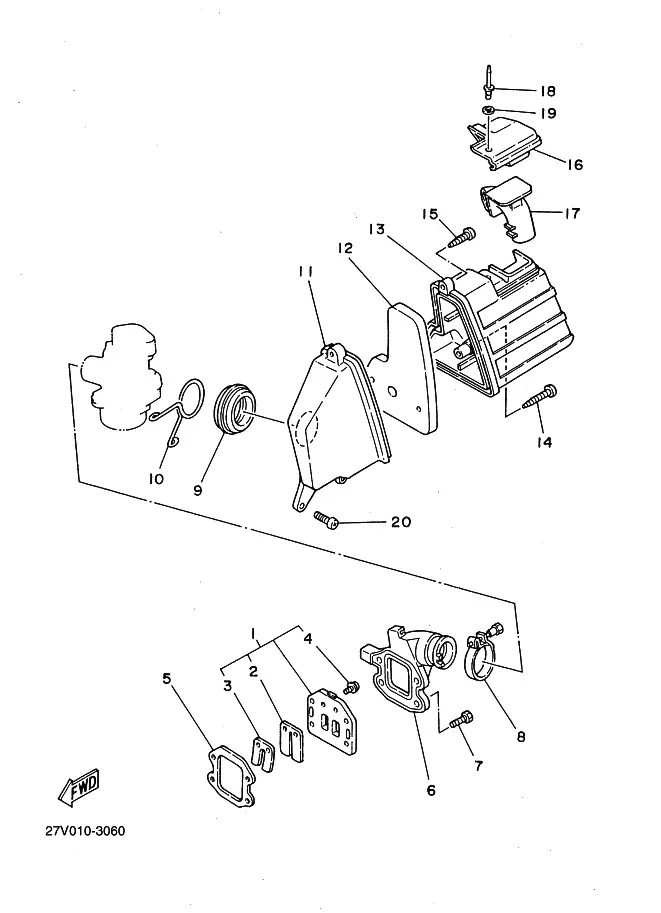
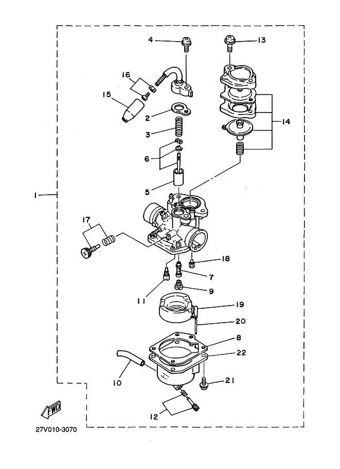
Carburetor
Clutch
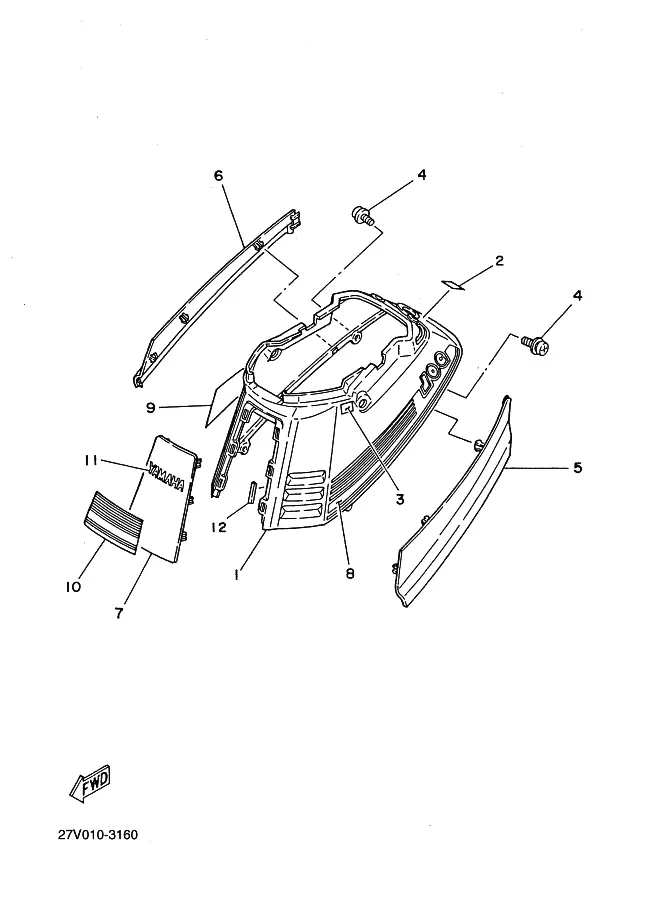
Cowling
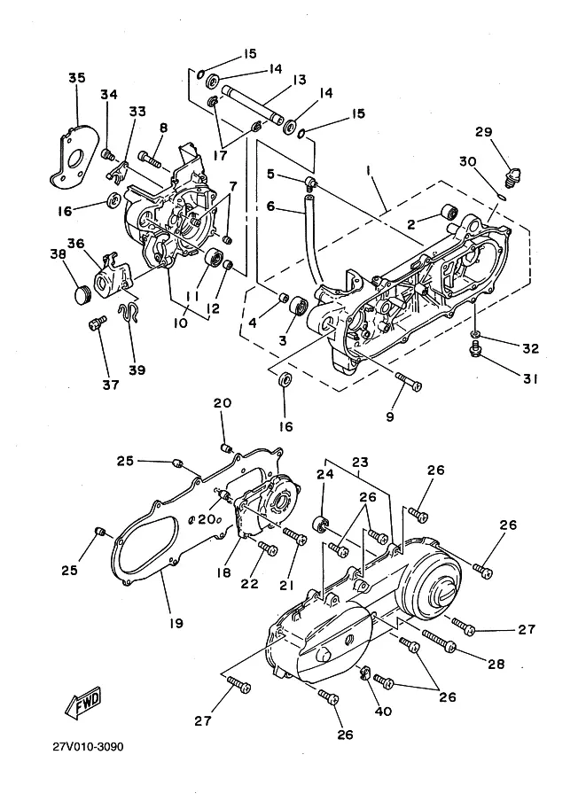
Crankcase
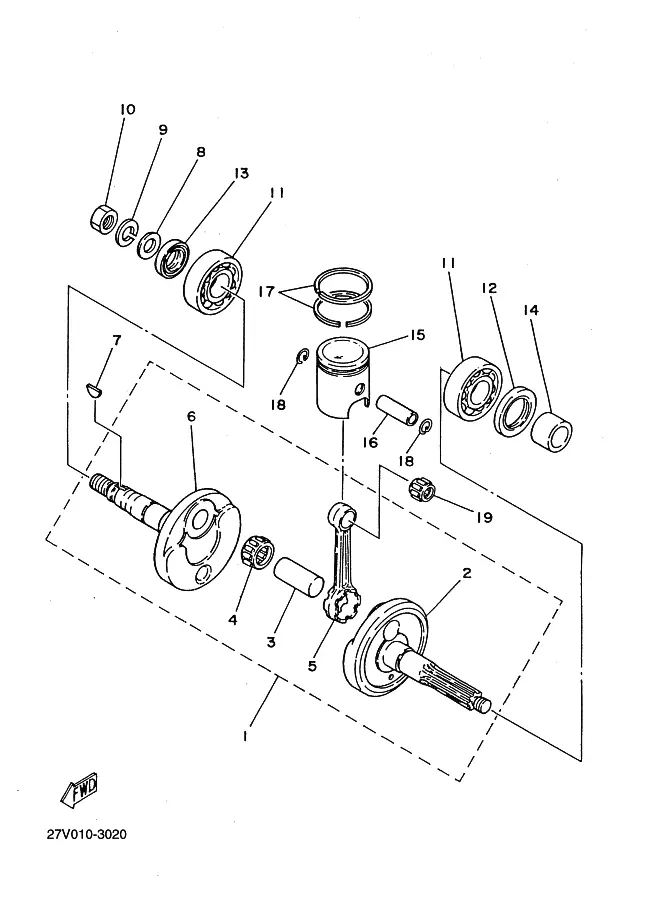
Crankshaft . Piston
Cylinder
Electrical 1
Electrical 2
Exhaust
Flashlight
Frame
Front Fender . Rear Fender
Front Fork
Front Wheel
Fuel Tank
Handle Switch . Lever
Headlight
Intake
Kick Starter
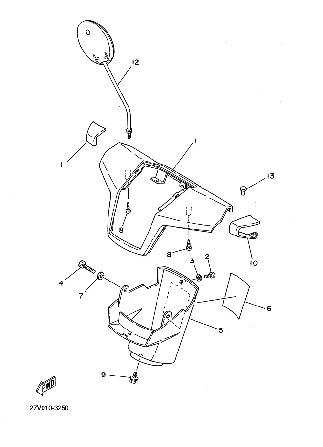
Leg Shield
Meter
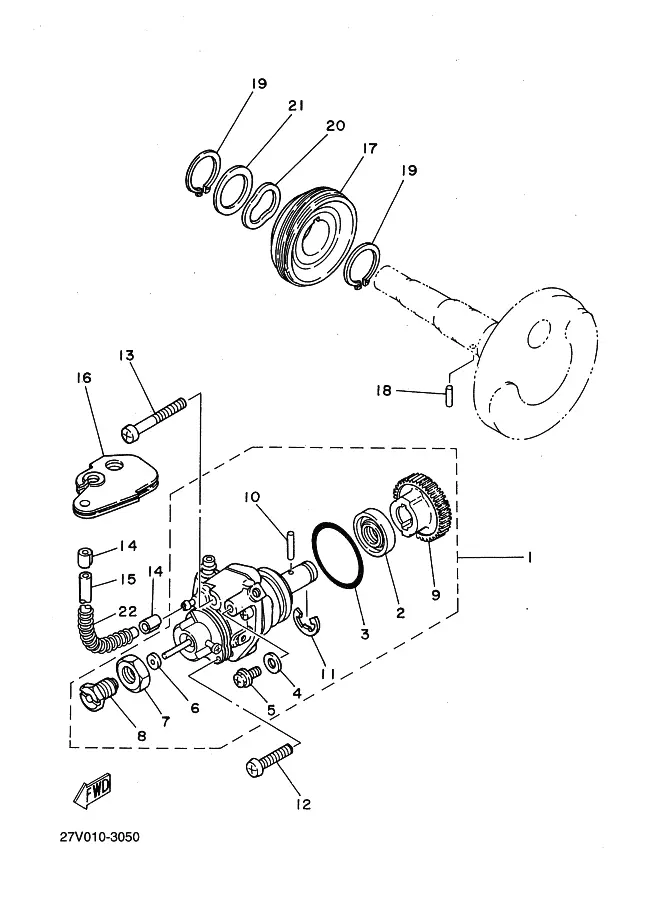
Oil Pump
Oil Tank
Rear Suspension
Rear Wheel
Seat
Sidecar Bar
Stand . Footrest
Starting Motor
Steering Handle . Cable
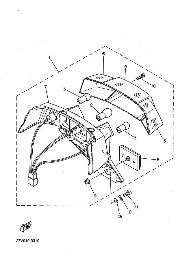
Taillight
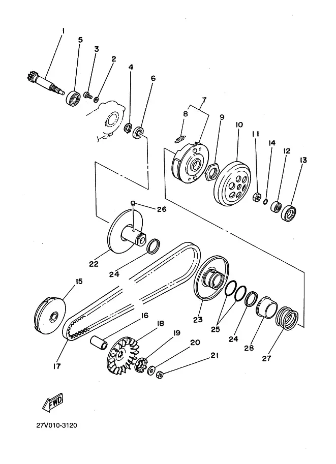
Transmission
Privacy Policy
Copyright | Part Seeker
Made with
U do