About Us
Find Parts
Yamaha
CV50A
2007 (5SUC-010-B-2007)
Air Shroud & Fan
Carburetor
Clutch
Cowling 1
Crankcase
Crankshaft & Piston
Cylinder Head
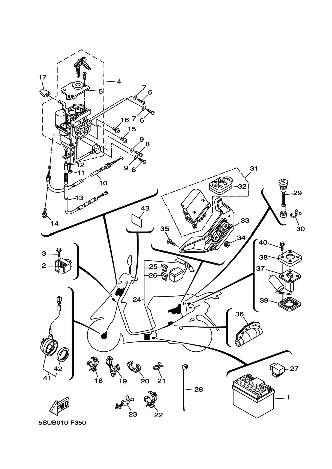
Electrical 1
Electrical 2
Exhaust
Fender
Flashlight
Frame
Front Brake Caliper
Front Fork
Front Master Cylinder
Front Wheel
Fuel Tank
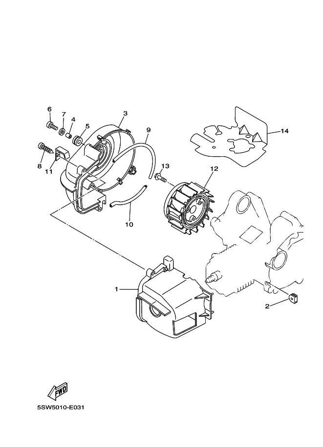
Generator
Handle Switch & Lever
Headlight
Intake
Leg Shield
Meter
Oil Pump
Oil Tank
Rear Suspension
Rear Wheel
Seat
Sidecar Bar
Stand & Footrest
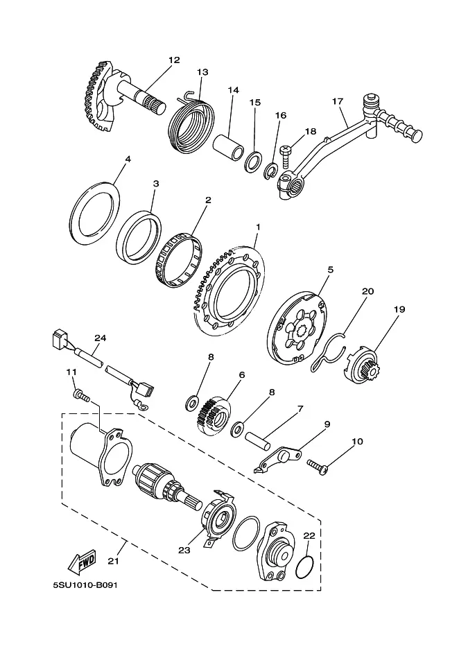
Starter
Steering Handle & Cable
Taillight
Transmission
Privacy Policy
Copyright | Part Seeker
Made with
U do