About Us
Find Parts
Kawasaki
ELIMINATOR 250V
2000 (VN250-B1)
Air Cleaner
Body Electrical Parts
Brake Pedal
Cable
Camshaft/Tensioner
Carburetor
Carburetor Parts
Clutch
Crankcase
Crankcase Bolt Pattern
Crankshaft
Cylinder Head
Cylinder Head Cover
Cylinder/Piston
Decal (Black)
Decal (Blue/Silver)
Decal (Orange/Ebony)
Decal (Orange/Ebony)
Decal (Silver)
Decal (White)
Engine Mount
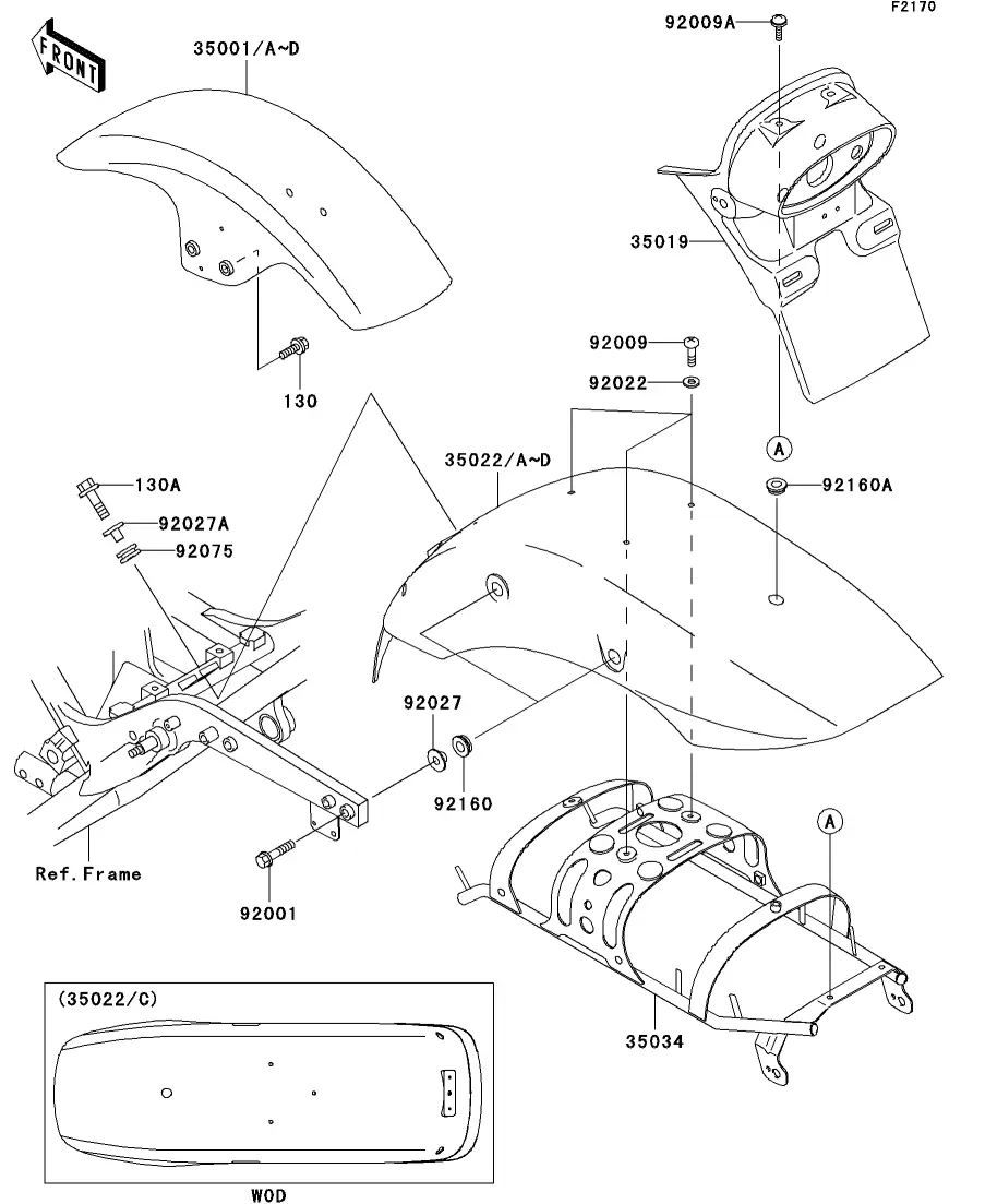
Fender
Footrest
Frame
Frame Fitting
Front Brake
Front Fork
Front Hub
Front Master Cylinder
Fuel Pump
Fuel Tank
Gear Change Drum/Shift Fork
Gear Change Mechanism
Generator
Handlebar
Headlight
Ignition Switch
Ignition System
Label
Left Engine Cover
Light Engine Cover
Meter
Muffler
Oil Pump
Radiator
Rear Hub
Seat
Side Cover/Chain Cover
Stand
Starter Motor
Suspension/Shock Absorber
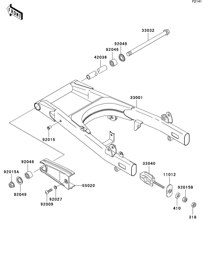
Swing Arm
Taillight
Tire
Transmission
Turn Signal
Valve
Water Pump
オーナーズ Tool
Privacy Policy
Copyright | Part Seeker
Made with
U do