About Us
Find Parts
Kawasaki
ELIMINATOR 250V
2005 (VN250-C2)
Air Cleaner
Body Electrical Parts
Brake Pedal
Cable
Camshaft/Tensioner
Carburetor
Carburetor Parts
Clutch
Crankcase
Crankcase Bolt Pattern
Crankshaft
Cylinder Head
Cylinder Head Cover
Cylinder/Piston
Decal
Engine Mount
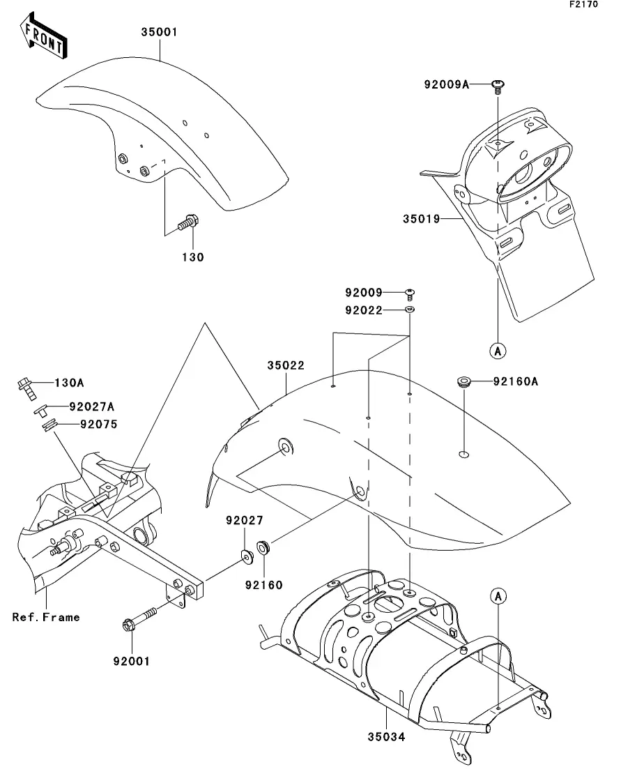
Fender
Footrest
Frame
Frame Fitting
Front Brake
Front Fork
Front Hub
Front Master Cylinder
Fuel Pump
Fuel Tank
Gear Change Drum/Shift Fork
Gear Change Mechanism
Generator
Handlebar
Headlight
Ignition Switch
Ignition Switch
Ignition System
Label
Left Engine Cover
Light Engine Cover
Meter
Muffler
Oil Pump
Radiator
Rear Hub
Seat
Side Cover/Chain Cover
Stand
Starter Motor
Suspension/Shock Absorber
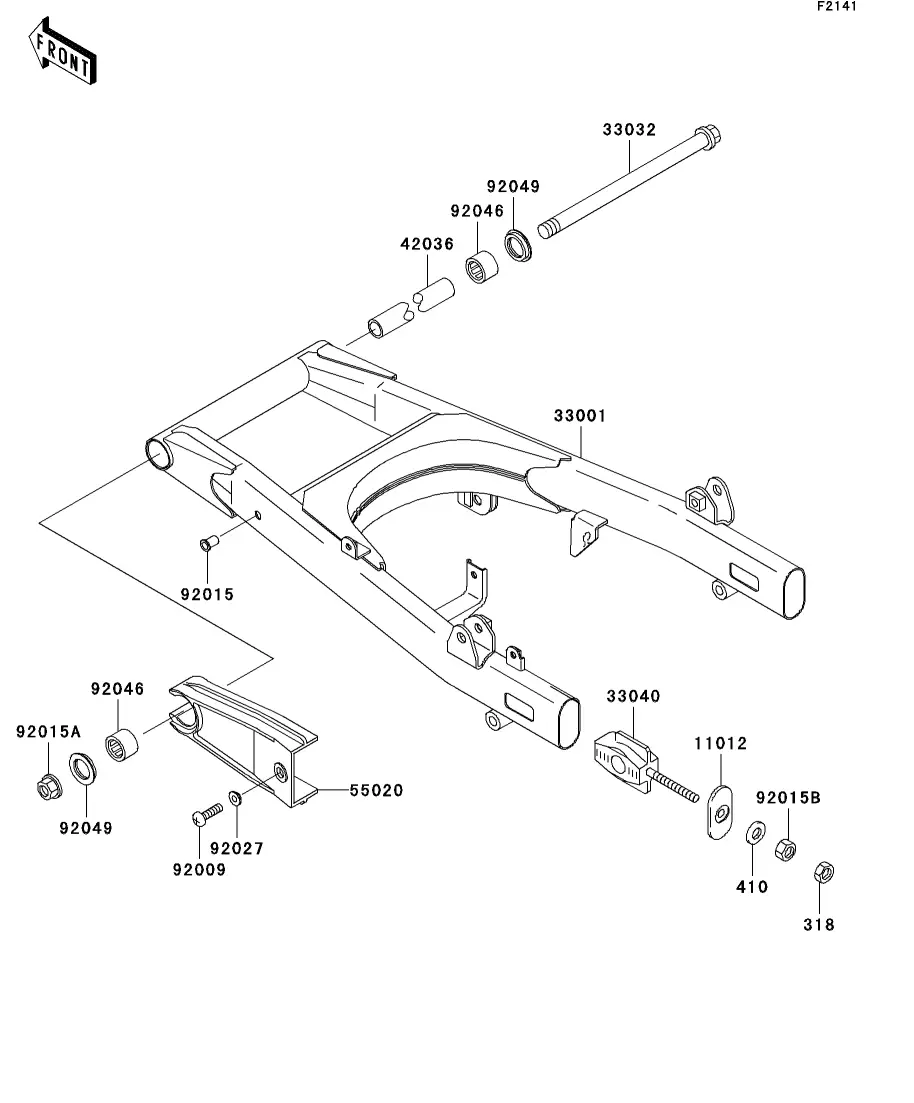
Swing Arm
Taillight
Tire
Transmission
Turn Signal
Valve
Water Pump
オーナーズ Tool
Privacy Policy
Copyright | Part Seeker
Made with
U do