About Us
Find Parts
Kawasaki
ELIMINATOR 400SE
1989 (ZL400-B2)
Air Filter
Battery Case
Body Electrical Parts
Brake Pedal
Cable
Camshaft/Tensioner
Carburetor
Carburetor Parts
Change Drum/Shift Fork
Clutch
Cowling
Crankcase
Crankcase Bolt Pattern
Crankshaft
Cylinder Head
Cylinder Head Cover
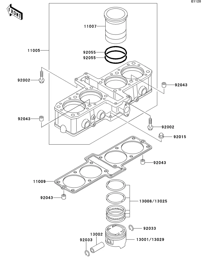
Cylinder/Piston
Drive Shaft/Final Gear
Engine Cover
Fender
Frame
Frame Fitting
Front Bevel Gear
Front Caliper
Front Fork
Front Hub
Front Master Cylinder
Fuel Tank
Gear Change Mechanism
Generator
Handlebar
Head Lamp
Ignition Coil
Ignition Switch
Label
Meter
Muffler
Oil Pan
Oil Pump
Optional Parts
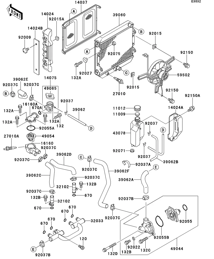
Radiator
Rear Hub
Seat
Secondary Shaft
Side Cover
Stand
Starter Motor
Step
Suspension/Shock Absorber
Tail Lamp
Tire
Tool
Transmission
Turn Signal
Valve
ス Wing Arm
Privacy Policy
Copyright | Part Seeker
Made with
U do