About Us
Find Parts
Kawasaki
ELIMINATOR 400
1994 (ZL400-D1)
Air Cleaner
Battery Case
Body Electrical Parts
Brake Pedal
Cable
Camshaft/Tensioner
Carburetor
Carburetor Parts
Clutch
Crankcase
Crankcase Bolt Pattern
Crankshaft
Cylinder Head
Cylinder Head Cover
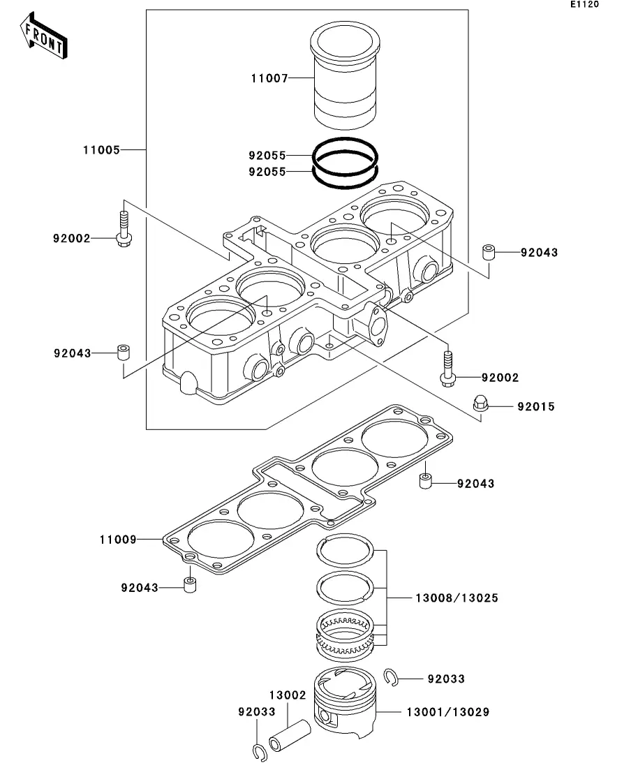
Cylinder/Piston
Decal (Ebony)
Decal (Ebony)
Decal (Yellow/Violet)
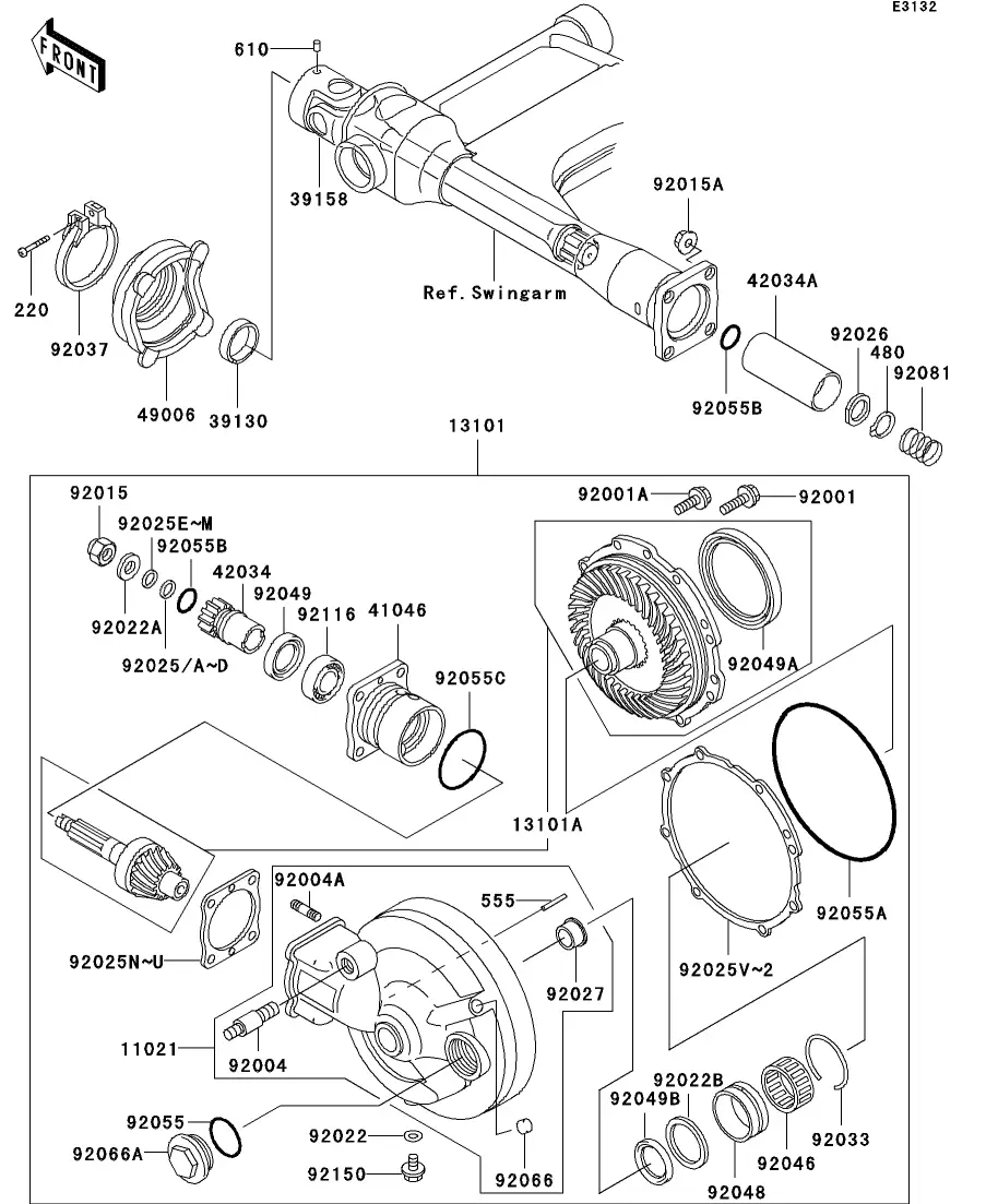
Drive Shaft/Final Gear
Engine Cover
Fender
Footrest
Frame
Frame Fitting
Front Bevel Gear
Front Brake
Front Fork
Front Hub
Front Master Cylinder
Fuel Tank
Gear Change Drum/Shift Fork
Gear Change Mechanism
Generator
Handlebar
Headlight
Ignition Switch
Ignition System
Label
Meter
Muffler
Oil Pan
Oil Pump
Optional Parts
Radiator
Rear Hub
Seat
Secondary Shaft
Side Cover
Stand
Starter Motor
Suspension/Shock Absorber
Swing Arm
Taillight
Tire
Transmission
Turn Signal
Valve
オーナーズ Tool
Privacy Policy
Copyright | Part Seeker
Made with
U do