About Us
Find Parts
Kawasaki
EN400
1994 (EN400-C1)
Air Cleaner
Battery Case
Body Electrical Parts
Brake Pedal
Breather Cover/Oil Pan
Cable
Camshaft/Tensioner
Carburetor
Carburetor Parts
Clutch
Crankcase
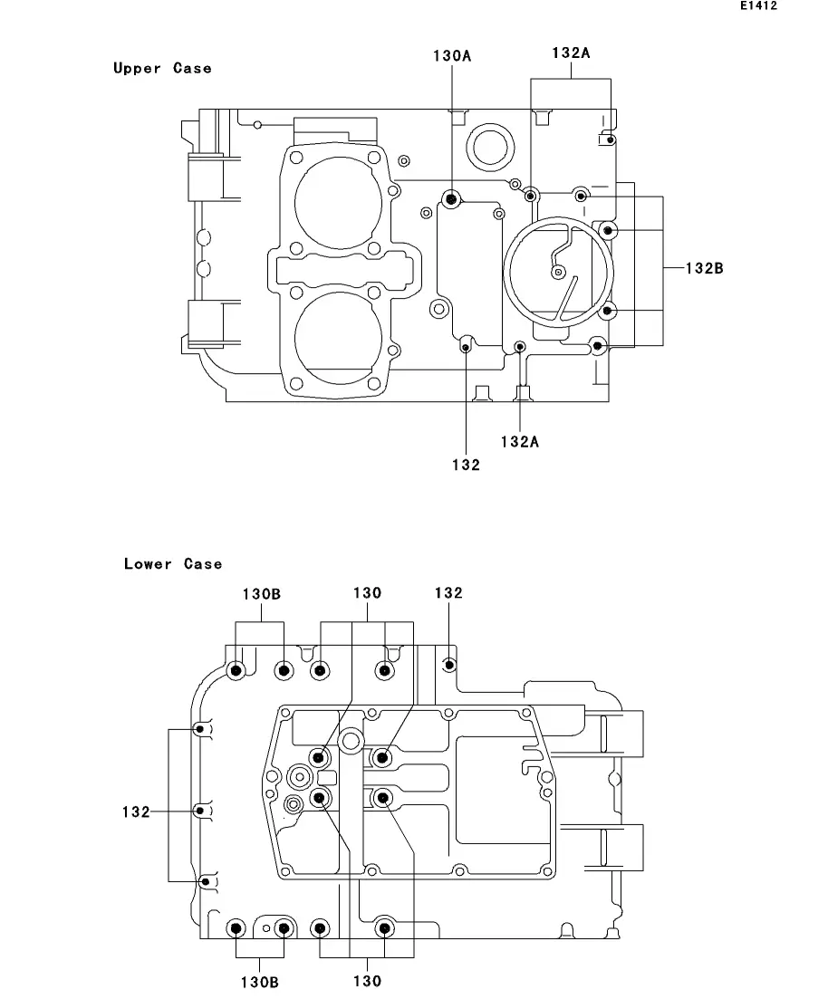
Crankcase Bolt Pattern
Crankshaft
Cylinder Head
Cylinder Head Cover
Cylinder/Piston
Decal
Engine Cover
Fender
Footrest
Frame
Frame Fitting
Front Brake
Front Fork
Front Hub
Front Master Cylinder
Fuel Tank
Gear Change Drum/Shift Fork
Gear Change Mechanism
Generator
Handlebar
Headlight
Ignition Switch
Ignition System
Label
Meter
Muffler
Oil Pump
Optional Parts
Radiator
Rear Hub
Seat
Side Cover/Chain Cover
Stand
Starter Motor
Suspension/Shock Absorber
Swing Arm
Taillight
Tire
Transmission
Turn Signal
Valve
Water Pump
オーナーズ Tool
Privacy Policy
Copyright | Part Seeker
Made with
U do