About Us
Find Parts
Kawasaki
ER-4N
2013 (ER400BDF)
Air Cleaner
Balancer
Body Electrical Parts
Brake Pedal
Cable
Camshaft/Tensioner
Clutch
Cowling
Crankcase
Crankcase Bolt Pattern
Crankshaft
Cylinder Head
Cylinder Head Cover
Cylinder/Piston
Decal (Black)
Decal (Ebony)
Decal (Red)
Decal (White)
Engine Cover
Engine Mount
Footrest
Frame
Frame Fitting
Front Brake
Front Fender
Front Fork
Front Hub
Front Master Cylinder
Fuel Injection
Fuel Pump
Fuel Tank
Gear Change Drum/Shift Fork
Gear Change Mechanism
Generator
Handlebar
Headlight
Ignition Switch
Ignition System
Label
Meter
Muffler
Oil Pan
Oil Pump
Radiator
Rear Brake
Rear Fender
Rear Hub
Rear Master Cylinder
Seat
Seat Cover
Shroud
Side Cover/Chain Cover
Stand
Starter Motor
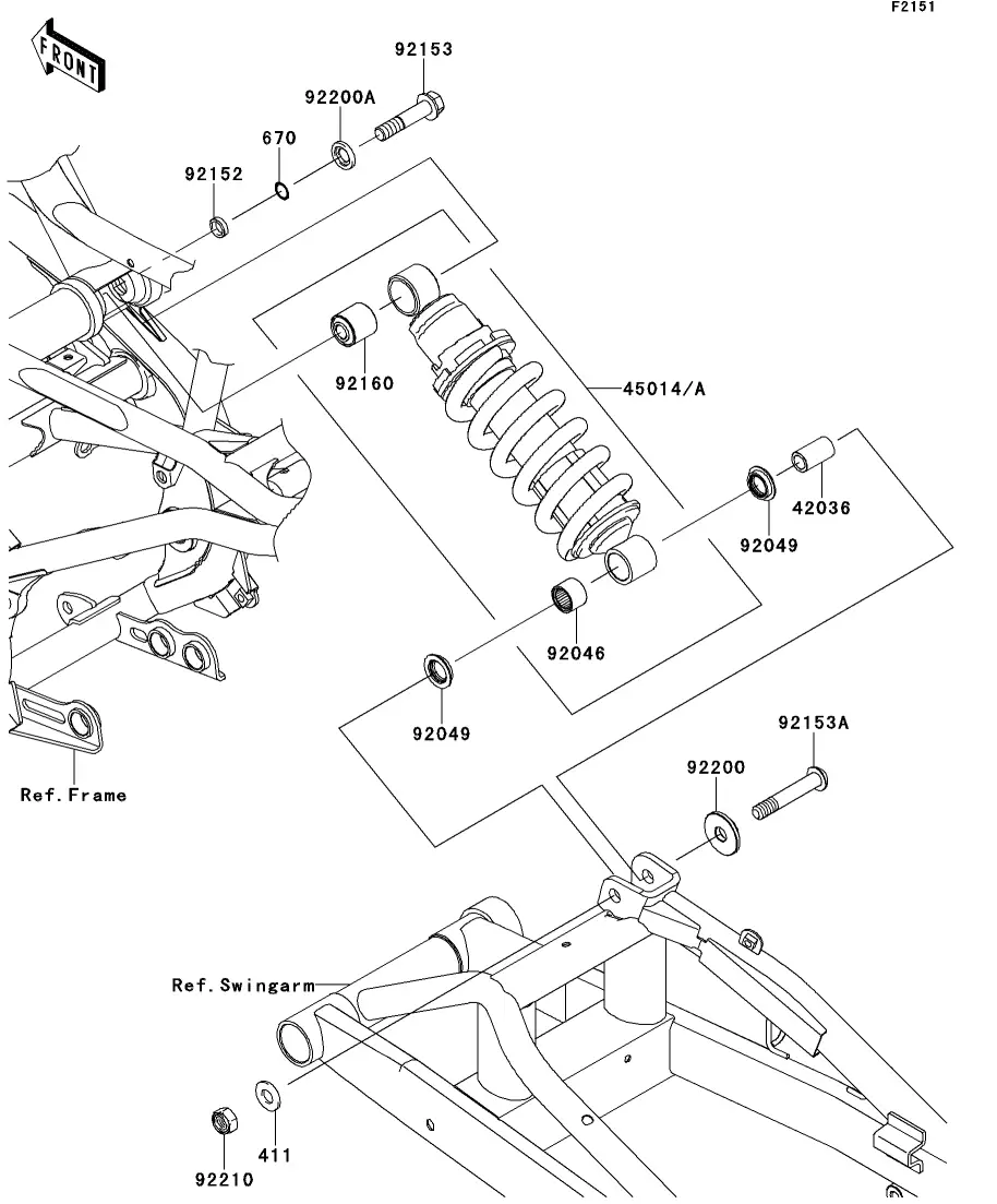
Suspension/Shock Absorber
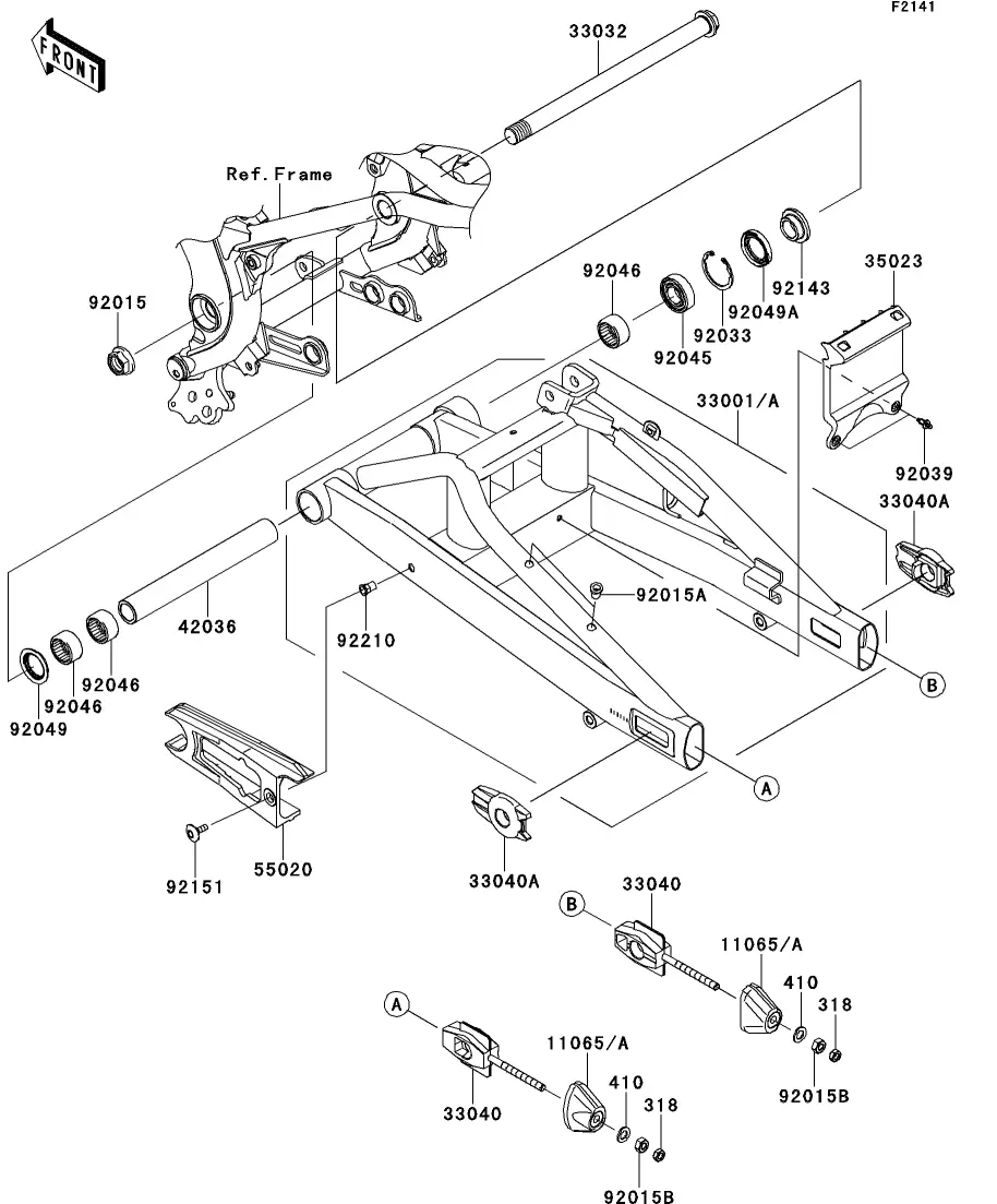
Swing Arm
Taillight
Throttle
Tire
Transmission
Turn Signal
Valve
Water Pipe
Water Pump
オーナーズ Tool
Privacy Policy
Copyright | Part Seeker
Made with
U do