About Us
Find Parts
Kawasaki
ER-6n
2008 (ER650A8F)
Air Cleaner
Balancer
Brake Pedal
Cables
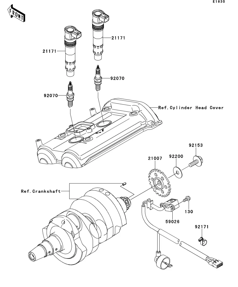
Camshaft(s)/Tensioner
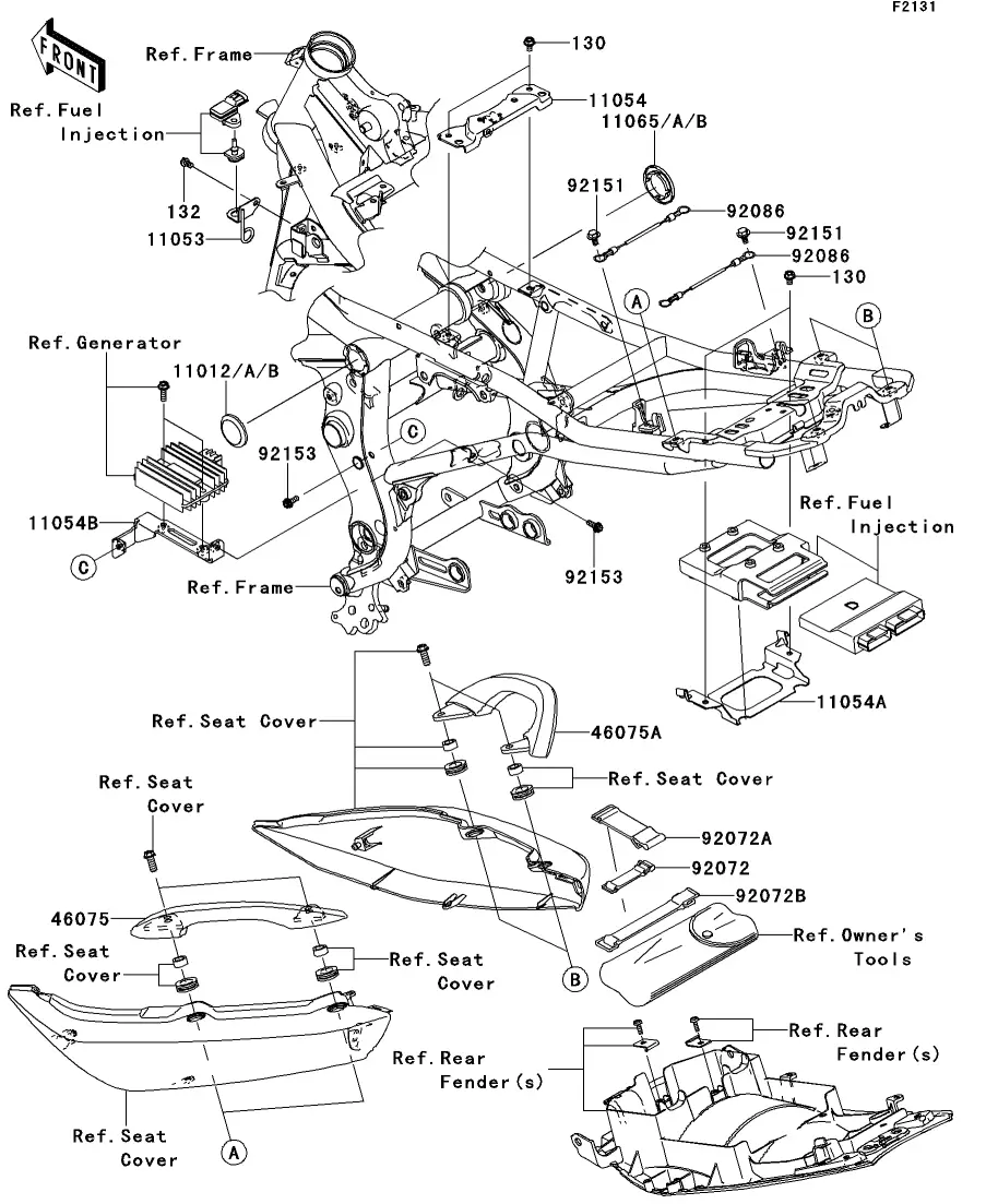
Chassis Electrical Equipment
Clutch
Cowling
Crankcase Bolt Pattern
Crankcase Bolt Pattern
Crankcase(1/2)(∼ER650AE057323)
Crankcase(1/2)(ER650AE057324∼)
Crankshaft
Cylinder Head
Cylinder Head Cover
Cylinder/Piston(s)
Decals(Black)(A7F)
Decals(Blue)(A8F)
Decals(Ebony)(A6F)
Decals(Green)(A8F)
Decals(Orange)(A7F)
Decals(Silver)(A6F)
Decals(Yellow)(A6F)
Engine Cover(s)
Engine Mount
Footrests
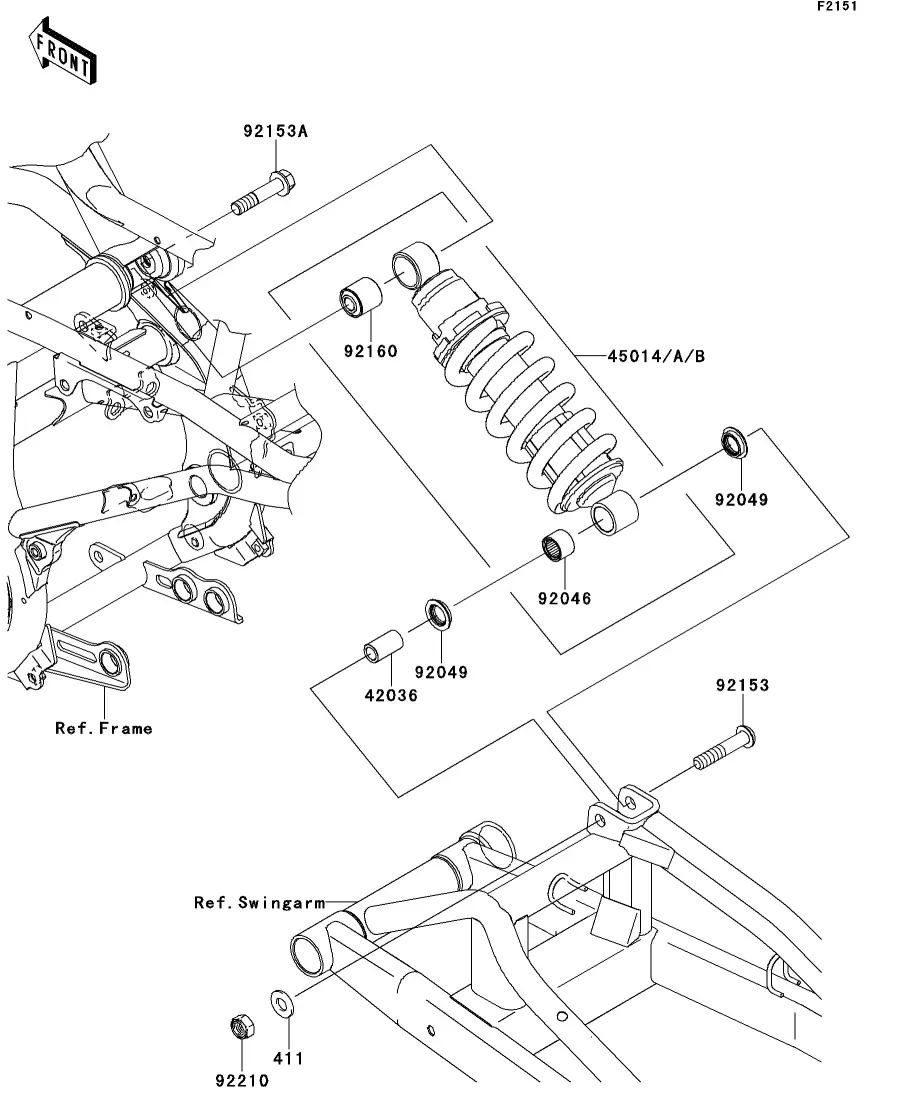
Frame
Frame Fittings(∼ER650A-035082)
Frame Fittings(ER650A-035083∼)
Front Brake
Front Fender(s)
Front Fork(1/2)
Front Hub
Front Master Cylinder
Fuel Injection
Fuel Pump
Fuel Tank
Gear Change Drum/Shift Fork(s)
Gear Change Mechanism
Generator
Handlebar
Headlight(s)
Ignition Switch
Ignition System
Labels
Meter(s)
Muffler(s)
Oil Pan
Oil Pump
Owner's Tools
Radiator
Rear Brake
Rear Fender(s)
Rear Hub
Rear Master Cylinder
Seat
Seat Cover
Shroud
Side Covers/Chain Cover
Stand(s)
Starter Motor(∼ER650AE046804)
Starter Motor(ER650AE046805∼)
Suspension/Shock Absorber
Swingarm
Taillight(s)
Throttle
Tires
Transmission
Turn Signals
Valve(s)
Water Pipe
Water Pump
Privacy Policy
Copyright | Part Seeker
Made with
U do