About Us
Find Parts
Kawasaki
ESTRELLA CUSTOM
2001 (BJ250-D6)
Air Cleaner
Balancer
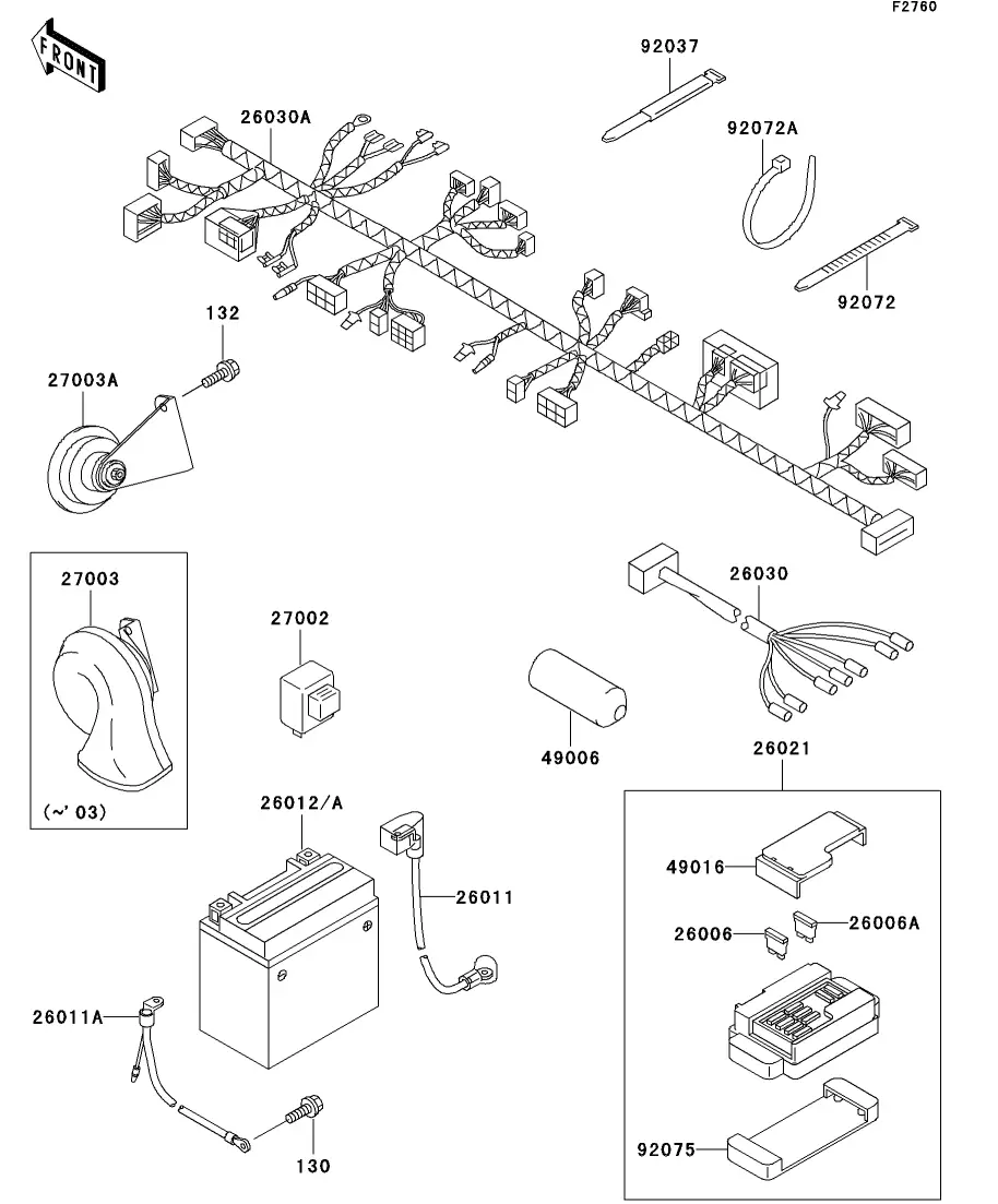
Body Electrical Parts
Brake Pedal
Cable
Camshaft/Tensioner
Carburetor
Clutch
Crankcase
Crankshaft
Cylinder Head
Cylinder/Piston
Decal (Blue)
Decal (Ebony)
Decal (Ebony)
Decal (Green)
Decal (Green/Ebony)
Decal (Orange/Ebony)
Decal (Red)
Decal (Silver)
Decal (Silver/Black)
Decal (Silver/Red)
Engine Cover
Engine Mount
Fender
Footrest
Frame
Frame Fitting
Front Fork
Front Hub
Fuel Tank
Gear Change Drum/Shift Fork
Gear Change Mechanism
Generator
Handlebar
Headlight
Ignition Switch
Ignition System
Label
Meter
Muffler
Oil Pump
Rear Hub
Seat
Shock Absorber
Side Cover/Chain Cover
Stand
Starter Motor
Swing Arm
Taillight
Tire
Transmission
Transmission
Turn Signal
Valve
オーナーズ Tool
Privacy Policy
Copyright | Part Seeker
Made with
U do