About Us
Find Parts
Kawasaki
ESTRELLA
2008 (BJ250J8F)
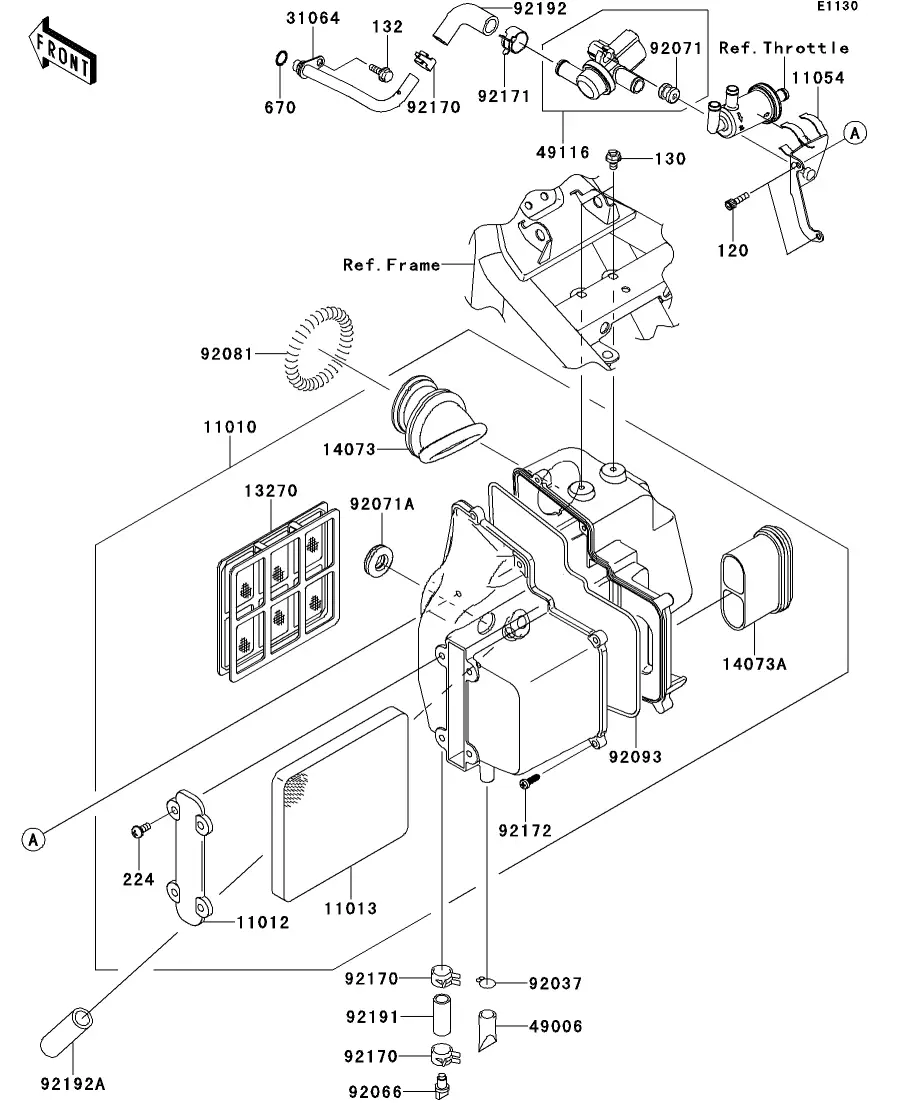
Air Cleaner
Balancer
Body Electrical Parts
Brake Pedal
Cable
Camshaft/Tensioner
Clutch
Crankcase
Crankshaft
Cylinder Head
Cylinder/Piston
Decal (Blue)
Decal (Blue)
Decal (Blue/White)
Decal (Ebony)
Decal (Ebony/Blue)
Decal (Ebony/Gray)
Decal (Green/White)
Decal (Green/White)
Decal (Orange/White)
Decal (Red)
Decal (Red/Ebony)
Decal (Red/White)
Decal (Silver/White)
Decal (White)
Engine Cover
Engine Cover
Fender
Footrest
Frame
Frame Fitting
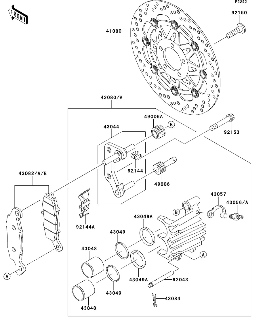
Front Brake
Front Fork
Front Hub
Front Hub
Front Master Cylinder
Fuel Injection
Fuel Tank
Fuel Tank
Gear Change Drum/Shift Fork
Gear Change Mechanism
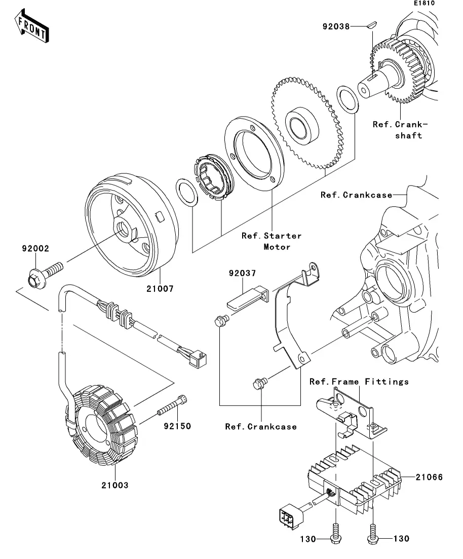
Generator
Handlebar
Headlight
Ignition Switch
Ignition System
Label
Meter
Muffler
Oil Pump
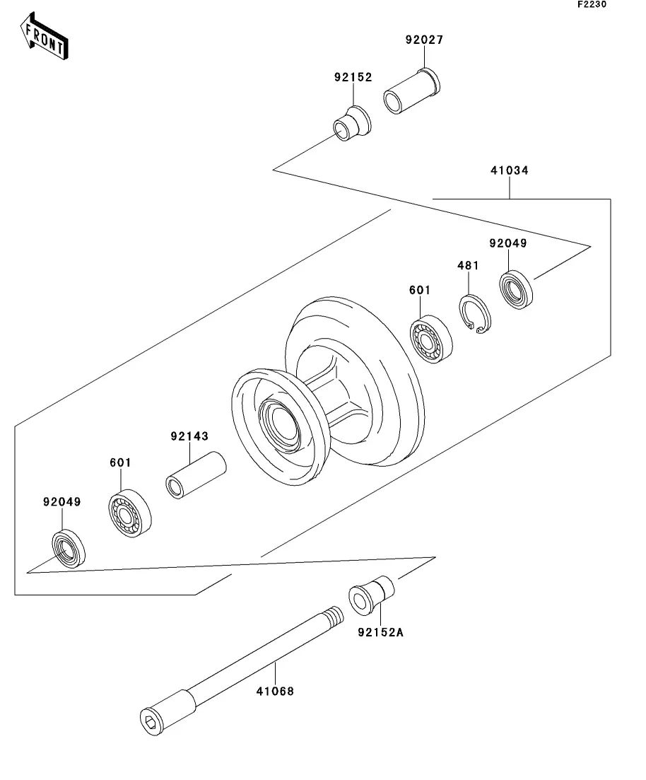
Rear Hub
Seat
Shock Absorber
Side Cover/Chain Cover
Stand
Starter Motor
Swing Arm
Taillight
Throttle
Tire
Transmission
Turn Signal
Valve
オーナーズ Tool
Privacy Policy
Copyright | Part Seeker
Made with
U do