About Us
Find Parts
Yamaha
FZ1-S
2009 (3C3W-010-A-2009)
Air Induction System
Camshaft & Chain
Clutch
Cowling 1
Crankcase
Crankcase Cover 1
Crankshaft & Piston
Cylinder
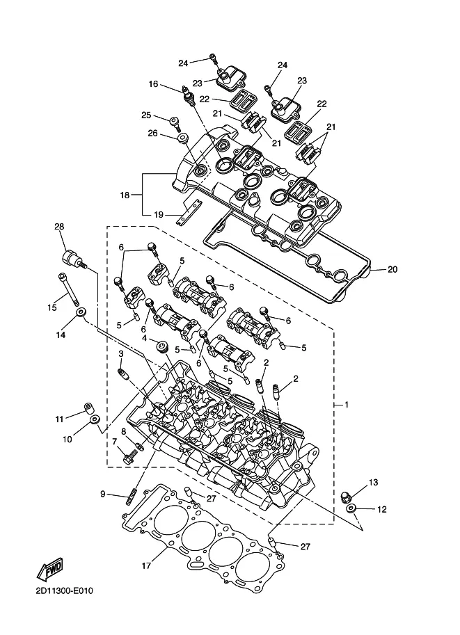
Cylinder Head
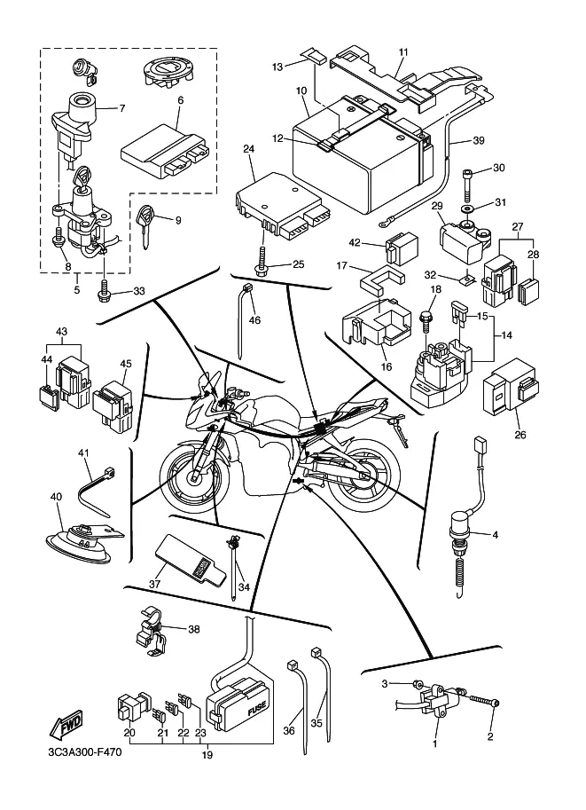
Electrical 1
Electrical 2
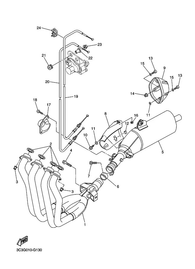
Exhaust
Fender
Flashlight
Frame
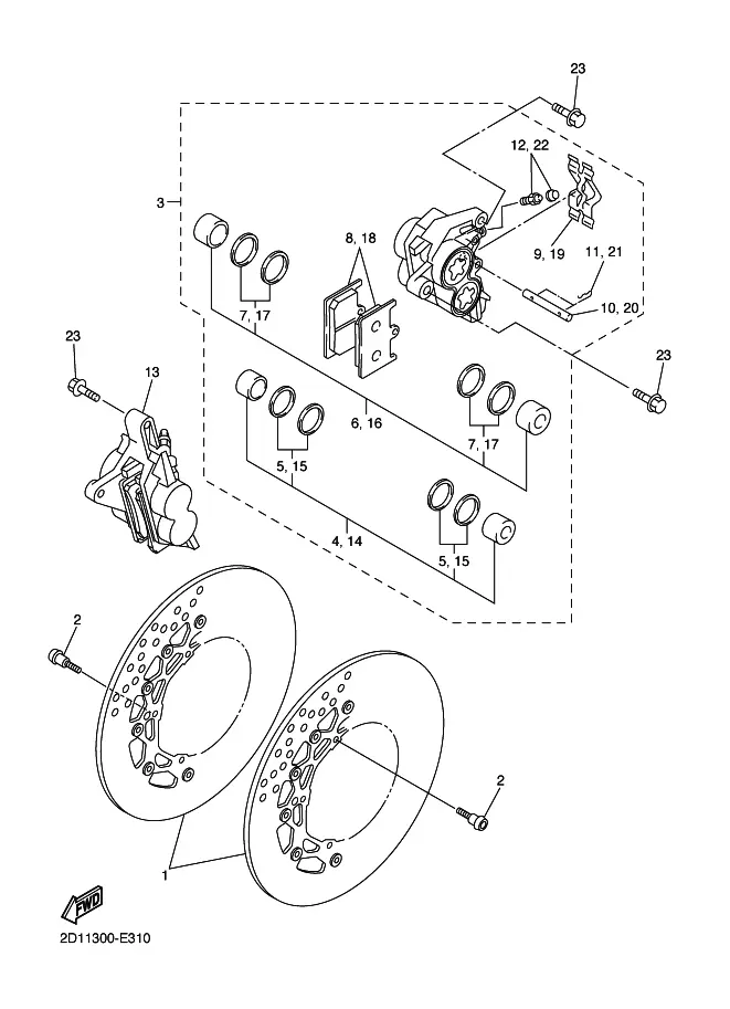
Front Brake Caliper
Front Fork
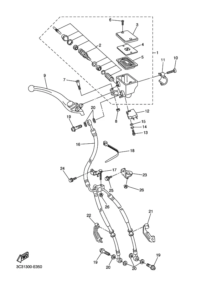
Front Master Cylinder
Front Wheel
Fuel Tank
Generator
Graphic & Emblem
Handle Switch & Lever
Headlight
Intake
Intake 2
Meter
Oil Cleaner
Oil Pump
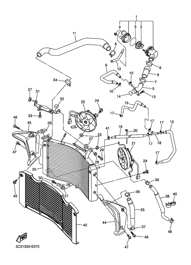
Radiator & Hose
Rear Arm
Rear Brake Caliper
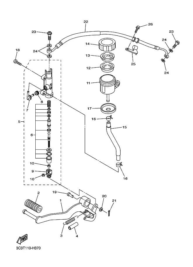
Rear Master Cylinder
Rear Suspension
Rear Wheel
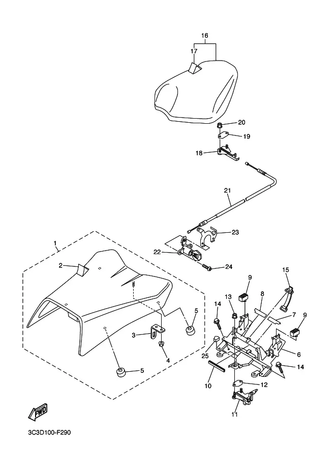
Seat
Shift Cam & Fork
Shift Shaft
Sidecar Bar
Stand & Footrest
Starter
Starting Motor
Steering
Steering Handle & Cable
Taillight
Transmission
Valve
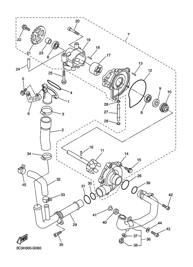
Water Pump
Privacy Policy
Copyright | Part Seeker
Made with
U do