About Us
Find Parts
Kawasaki
GPZ900R
2003 (ZX900-A16)
Air Cleaner
Balancer
Brake Pedal
Breather Cover/Oil Pan
Cables
Camshaft(s)/Tensioner
Carburetor
Carburetor Parts
Chassis Electrical Equipment
Clutch
Clutch Master Cylinder
Cowling
Cowling Lowers(1/2)
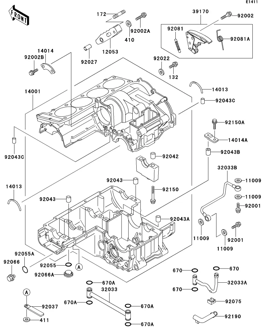
Crankcase
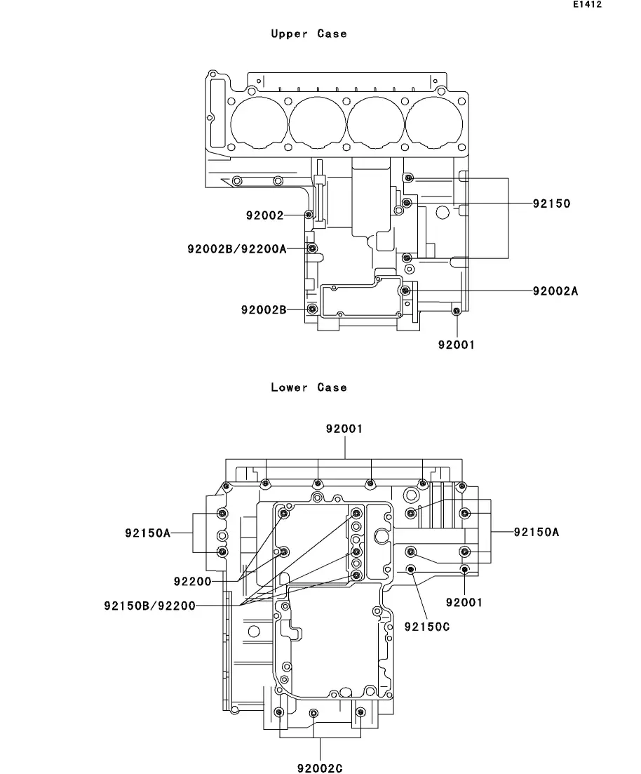
Crankcase Bolt Pattern
Crankshaft
Cylinder Head
Cylinder Head Cover
Cylinder/Piston(s)
Decals(Blue/Silver)
Decals(Red/Graystone)
Engine Cover(s)
Engine Mount
Fenders
Footrests
Frame
Frame Fittings
Front Brake
Front Fork
Front Hub
Front Master Cylinder
Fuel Tank
Gear Change Drum/Shift Fork(s)
Gear Change Mechanism
Generator
Handlebar
Headlight(s)
Ignition Switch
Ignition System
Labels
Meter(s)
Muffler(s)
Oil Cooler
Oil Pump(1/2)
Owner's Tools
Radiator(1/2)
Rear Brake
Rear Hub
Rear Master Cylinder
Seat(1/2)
Shock Absorber(s)
Side Covers/Chain Cover(1/3)
Stand(s)
Starter Motor
Suspension
Swingarm
Taillight(s)
Tires
Transmission
Turn Signals
Valve(s)
Privacy Policy
Copyright | Part Seeker
Made with
U do