About Us
Find Parts
Yamaha
MT-09
2014 (1RC8-010-A-2014)
Air Induction System
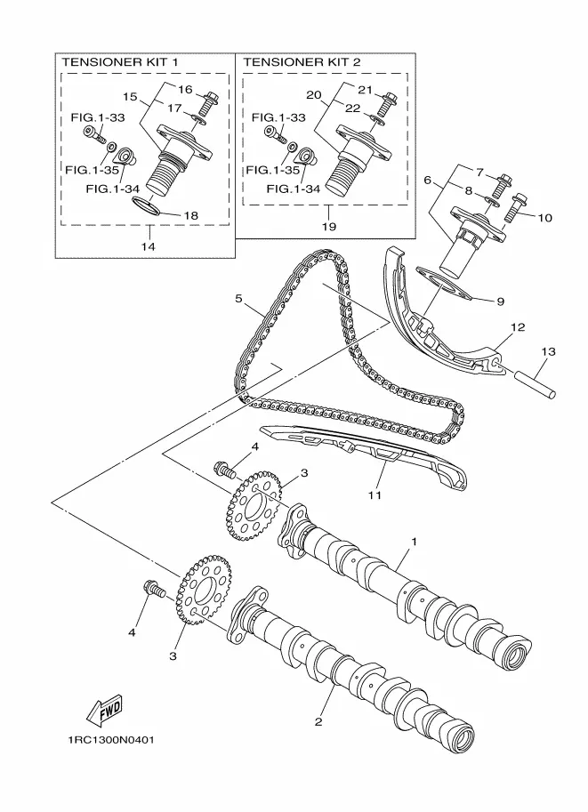
Camshaft & Chain
Clutch
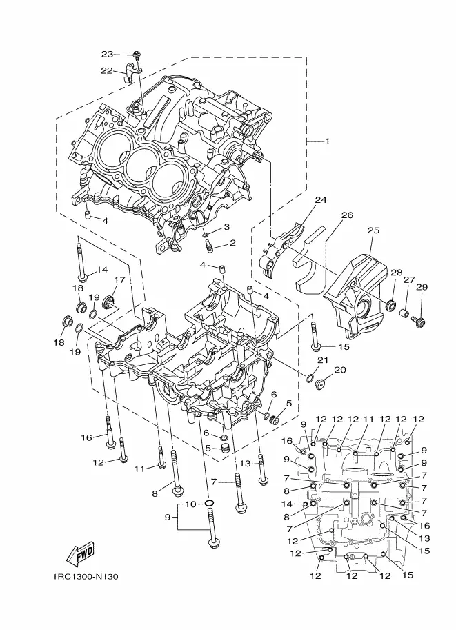
Crankcase
Crankcase Cover 1
Crankshaft & Piston
Cylinder Head
Electrical 1
Electrical 2
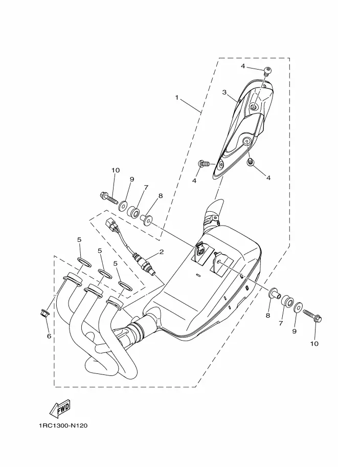
Exhaust
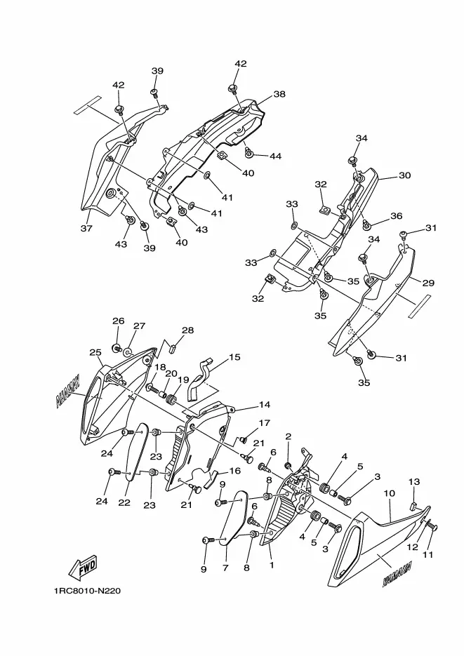
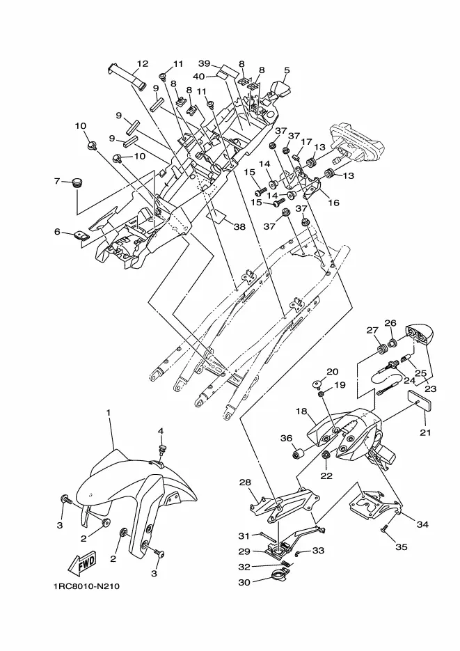
Fender
Flashlight
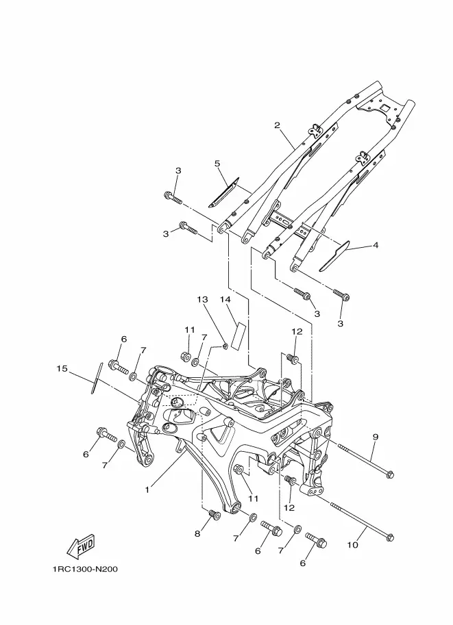
Frame
Front Brake Caliper
Front Fork
Front Master Cylinder
Front Wheel
Fuel Tank
Generator
Graphic & Emblem
Handle Switch & Lever
Headlight
Intake
Intake 2
Meter
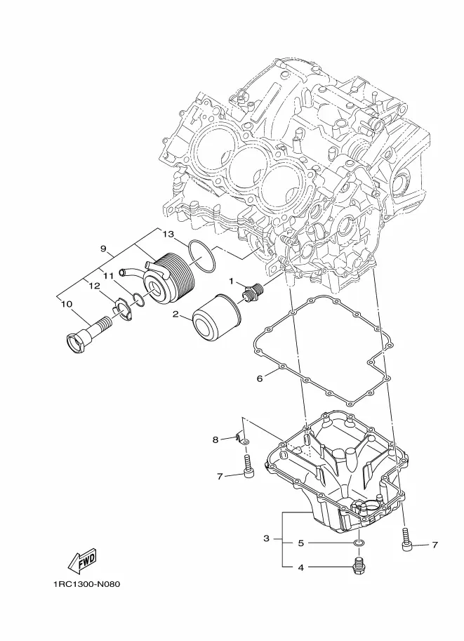
Oil Cleaner
Oil Pump
Radiator & Hose
Rear Arm
Rear Brake Caliper
Rear Master Cylinder
Rear Suspension
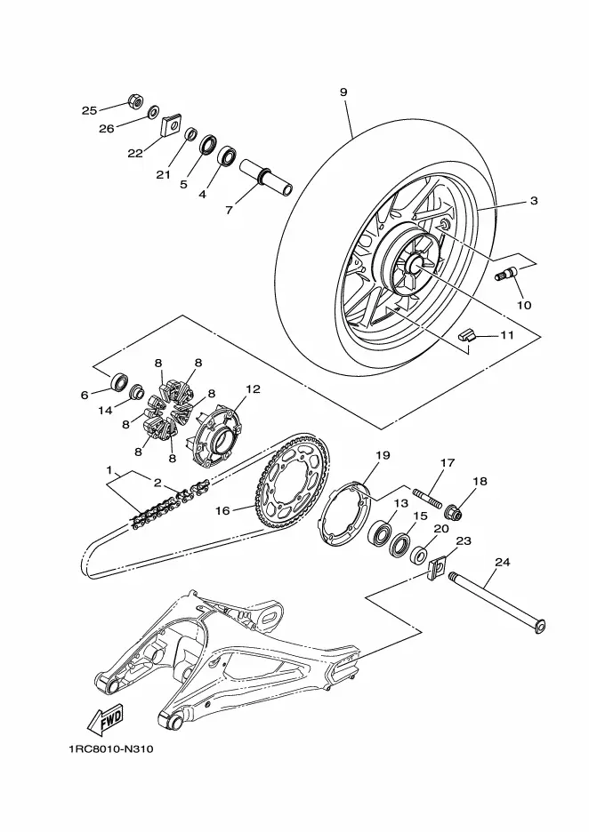
Rear Wheel
Seat
Shift Cam & Fork
Shift Shaft
Sidecar Bar
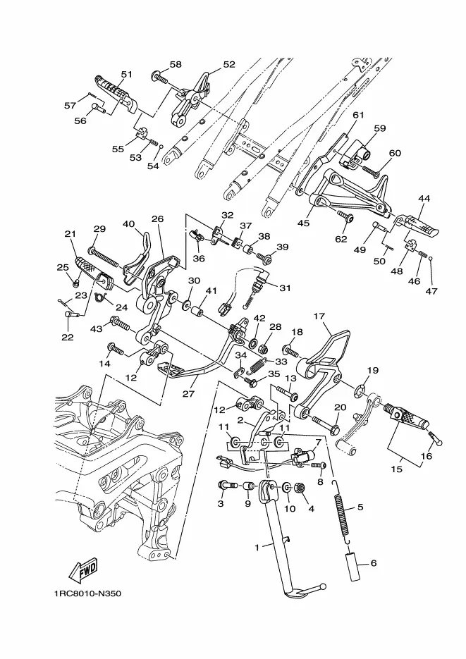
Stand & Footrest
Starter
Starting Motor
Steering
Steering Handle & Cable
Taillight
Transmission
Valve
Water Pump
Privacy Policy
Copyright | Part Seeker
Made with
U do