About Us
Find Parts
Yamaha
MTM850
2020 (BDV1-010-A-2020)
Air Induction System
Camshaft & Chain
Clutch
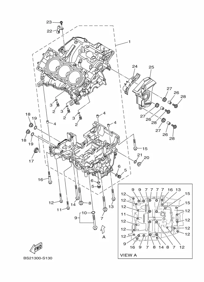
Crankcase
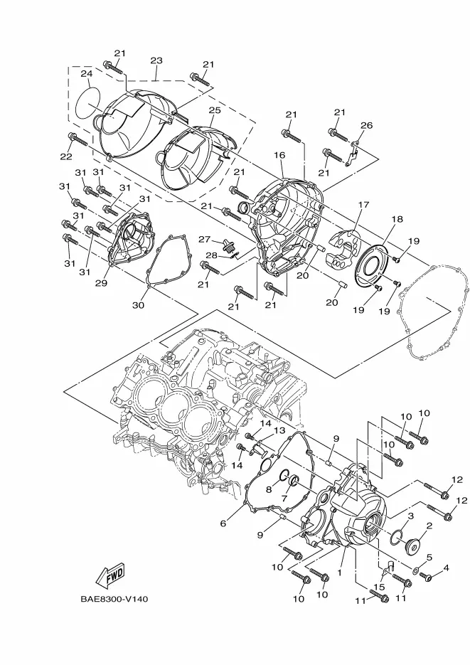
Crankcase Cover 1
Crankshaft & Piston
Cylinder Head
Electrical 1
Electrical 2
Electrical 3
Exhaust
Fender
Flashlight
Frame
Front Brake Caliper
Front Fork
Front Master Cylinder
Front Wheel
Fuel Tank
Generator
Graphic & Emblem
Handle Switch & Lever
Headlight
Intake
Intake 2
Meter
Oil Cleaner
Oil Pump
Radiator & Hose
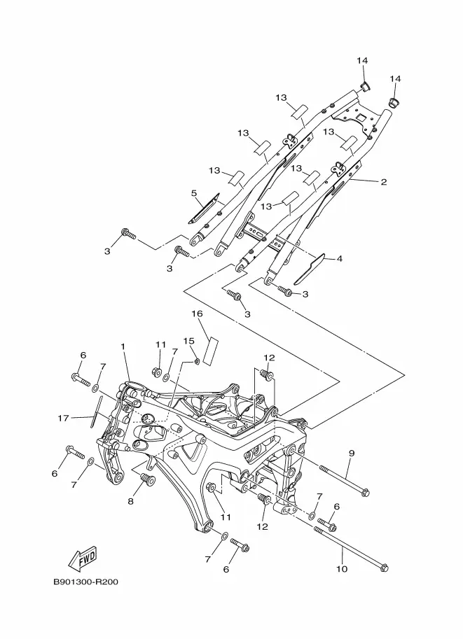
Rear Arm
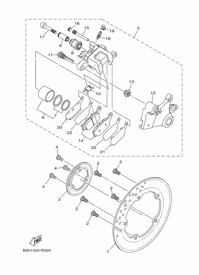
Rear Brake Caliper
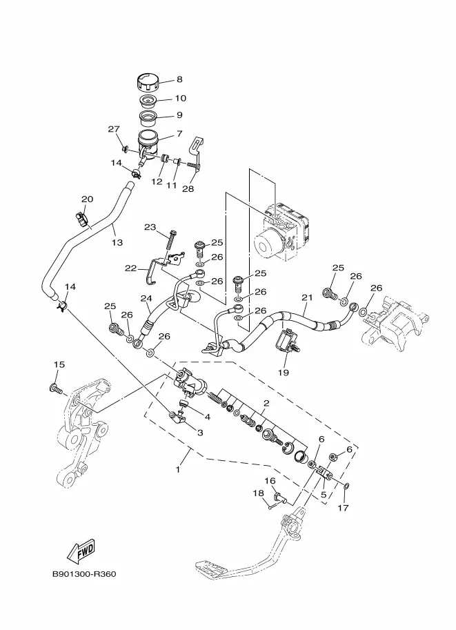
Rear Master Cylinder
Rear Suspension
Rear Wheel
Seat
Shift Cam & Fork
Shift Shaft
Sidecar Bar
Stand & Footrest
Starter
Starting Motor
Steering
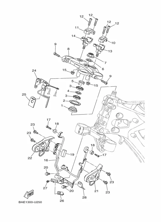
Steering Handle & Cable
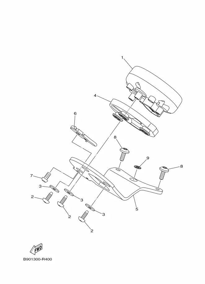
Taillight
Transmission
Valve
Water Pump
Privacy Policy
Copyright | Part Seeker
Made with
U do