About Us
Find Parts
Yamaha
MTN320-A
2022 (BEV4-010-A-2022)
Camshaft & Chain
Clutch
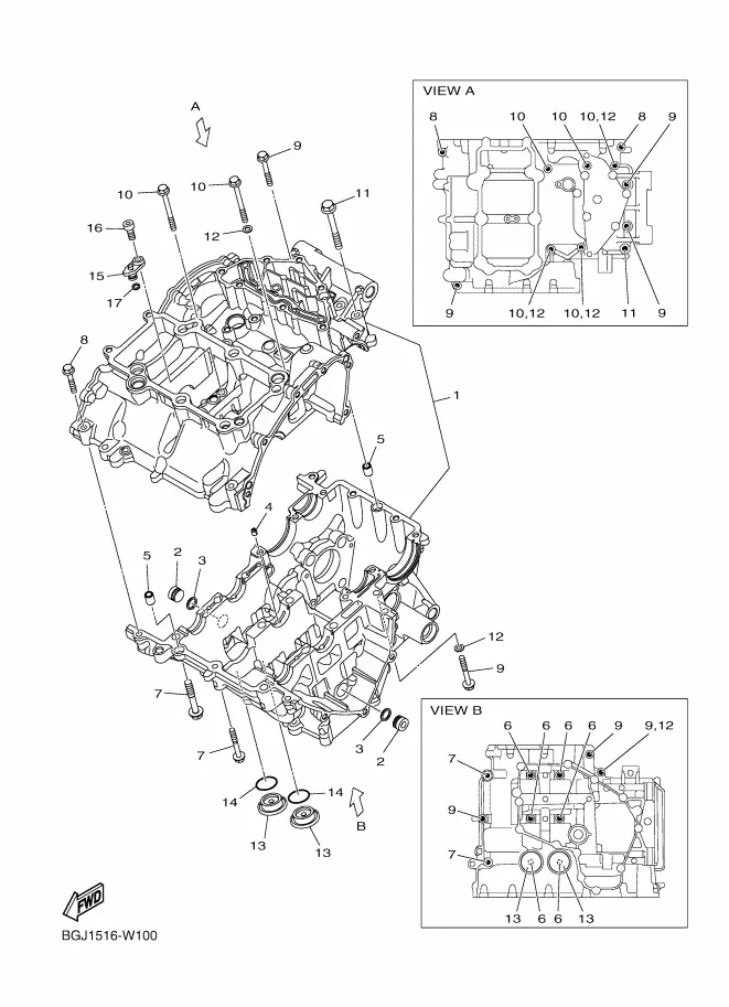
Crankcase
Crankcase Cover 1
Crankshaft & Piston
Cylinder Head
Electrical 1
Electrical 2
Electrical 3
Emblem & Label 1
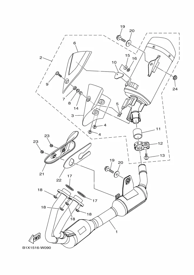
Exhaust
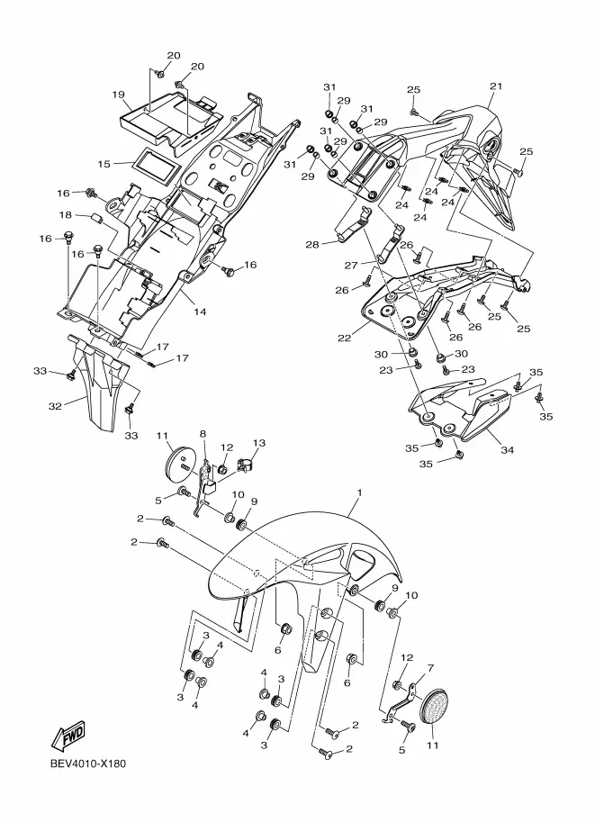
Fender
Flashlight
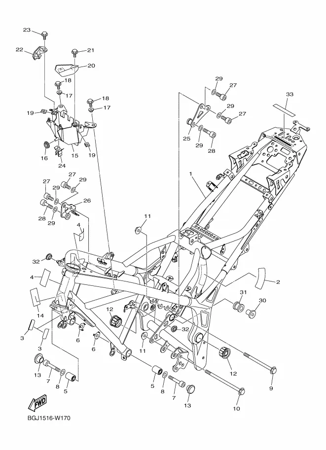
Frame
Front Brake Caliper
Front Fork
Front Master Cylinder
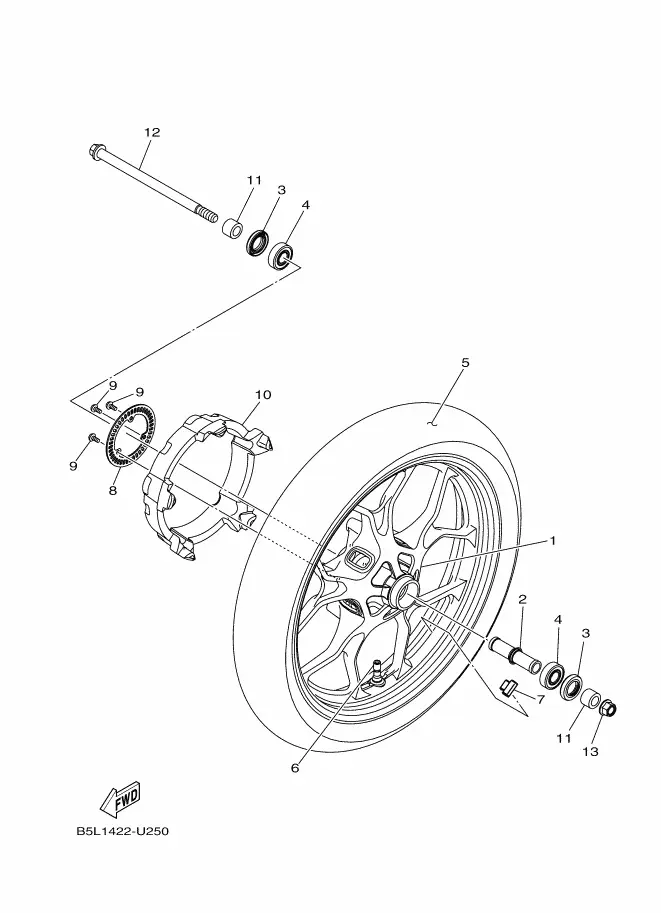
Front Wheel
Fuel Tank
Fuel Tank 2
Generator
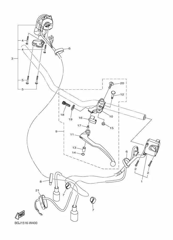
Handle Switch & Lever
Headlight
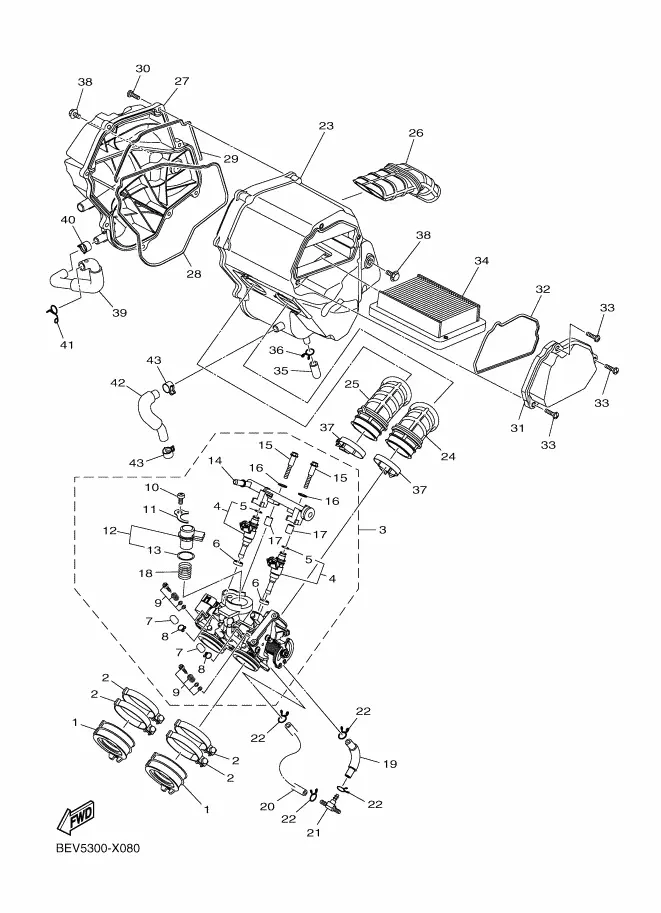
Intake
Meter
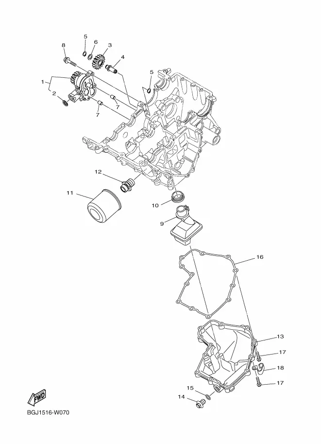
Oil Pump
Radiator & Hose
Rear Arm & Suspension
Rear Brake Caliper
Rear Master Cylinder
Rear Wheel
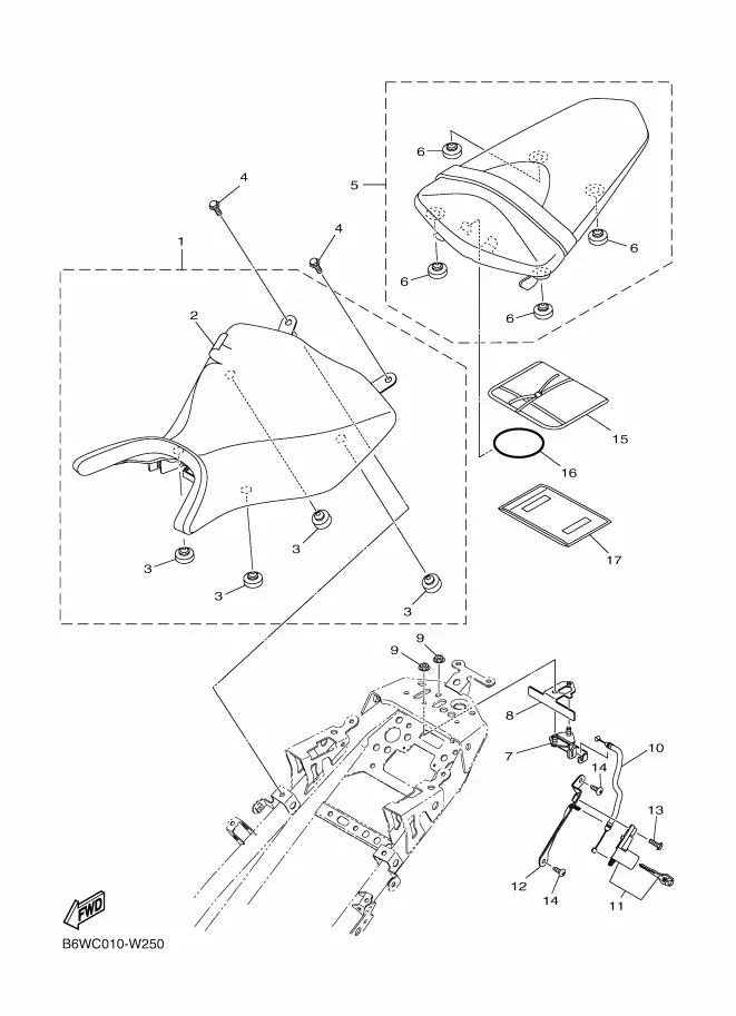
Seat
Shift Cam & Fork
Shift Shaft
Sidecar Bar
Stand & Footrest
Starter Clutch
Starting Motor
Steering
Steering Handle & Cable
Taillight
Transmission
Valve
Water Pump
Privacy Policy
Copyright | Part Seeker
Made with
U do